Углубленный анализ: принцип работы и применение схемы затвора ТТЛ.
Скорочтение:
Три основных преимущества схем ТТЛ-затвора
Введение в схемы ТТЛ
Схема TTL — это английская аббревиатура транзисторно-транзисторной логической схемы (Transister-Transister-Logic), которая представляет собой категорию цифровых интегральных схем. Он производится с использованием биполярного процесса и имеет высокую скорость, низкое энергопотребление и множество разновидностей. С момента успешной разработки продукта первого поколения в 1960-х годах были доступны следующие поколения продуктов. К первому поколению TTL относятся серии SN54/74 (серия 54 имеет рабочую температуру от -55°C до +125°C, а серия 74 имеет рабочую температуру от 0°C до +75°C). Серия с низким энергопотреблением обозначается как lttl, а серия с высокой скоростью обозначается как HTTL. Второе поколение TTL включает серию зажимов Шоттки (STTL) и серию Шоттки малой мощности (LSTTL), а третье поколение — усовершенствованный STTL (ASTTL) и усовершенствованный STTL малой мощности (ALSTTL), изготовленные с использованием изопланарного процесса. ) Поскольку произведение мощности задержки цепи LSTTL и ALSTTL невелико, а STTL и ASTTL очень быстры, они широко используются. Наиболее важной характеристикой TTL является то, что на входе вентиля в неподключенном состоянии будет высокий логический уровень. В аппаратных схемах используются цифровые устройства, такие как логические вентили.Для таких цифровых устройств существуют две основные ветви внутренней технологической структуры: одна состоит из транзисторов, а другая - из полевых транзисторов. Схема затвора, состоящая из транзисторов, называется схемой затвора ТТЛ.
Основными строительными блоками в схемах ТТЛ являются вентильные схемы, которые включают в себя следующие типы:
И Gate: Выход имеет высокий уровень только тогда, когда все входы имеют высокий логический уровень.
Логический элемент ИЛИ: на выходе высокий уровень, когда на любом входе высокий логический уровень.
NOT Gate: Выход представляет собой инверсию входа.
XOR Gate: выход имеет только один высокий логический уровень среди входов.
Интегральная схема (ИС): схемы ТТЛ обычно существуют в виде интегральных схем, например, распространенные интегральные схемы серии 74, такие как 74LS00 (И-вентиль с четырьмя входами), 74LS04 (И-вентиль с шестью входами) и т. д.
Три основных преимущества схемы затвора TTL
Схема затвора TTL (транзисторно-транзисторная логика) имеет следующие три основных преимущества:
1. Высокая шумостойкость: в схемах затвора TTL используются транзисторы для усиления и переключения сигнала, и они имеют высокую помехоустойчивость. Как правило, они способны надежно работать в шумной среде, поскольку их выходные уровни относительно нечувствительны к изменениям входных уровней.
2. Низкое энергопотребление: схема TTL-затвора использует бистабильную логику, и энергия потребляется только при изменении выходного состояния. По сравнению с другими семействами логики, ТТЛ-вентили потребляют меньше энергии в режиме ожидания или в устойчивом состоянии, что может быть очень выгодно в некоторых приложениях с низким энергопотреблением.
3. Сильная совместимость: входные и выходные уровни схем затвора TTL совместимы со многими другими типами схем логических затворов. Эта совместимость позволяет легко интегрировать TTL с другими семействами цифровой логики и взаимодействовать с различными типами устройств и интерфейсов.
Важно отметить, что хотя ТТЛ-вентили обладают этими преимуществами, они также имеют некоторые ограничения. Например, энергопотребление схем ТТЛ-затвора относительно велико, особенно в высокоскоростных операциях и больших интегральных схемах. Кроме того, ТТЛ-затворы обычно работают при более высоких напряжениях (обычно 5 В), что может не подходить для некоторых низковольтных приложений. Поэтому при выборе схемы необходимо учитывать требования применения, а также преимущества и ограничения схем ТТЛ-затвора.
Принцип работы ТТЛ-схемы
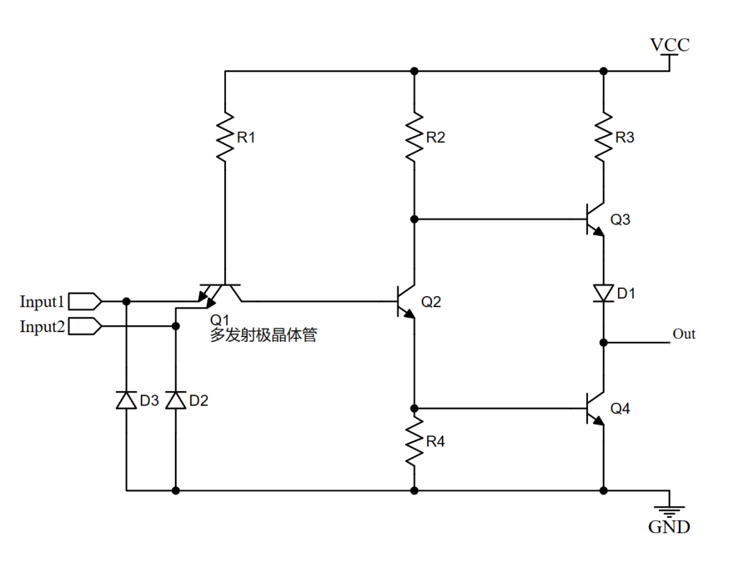
Существует много типов схем TTL-вентилей, таких как вентили НЕ, вентили И-НЕ, вентили ИЛИ-НЕ, вентили И-НЕ и выходные вентили И-НЕ OC. Хотя существует много типов, основные принципы работы схожи. Возьмите широко используемую схему затвора И-НЕ в качестве примера, чтобы представить принцип ее работы.

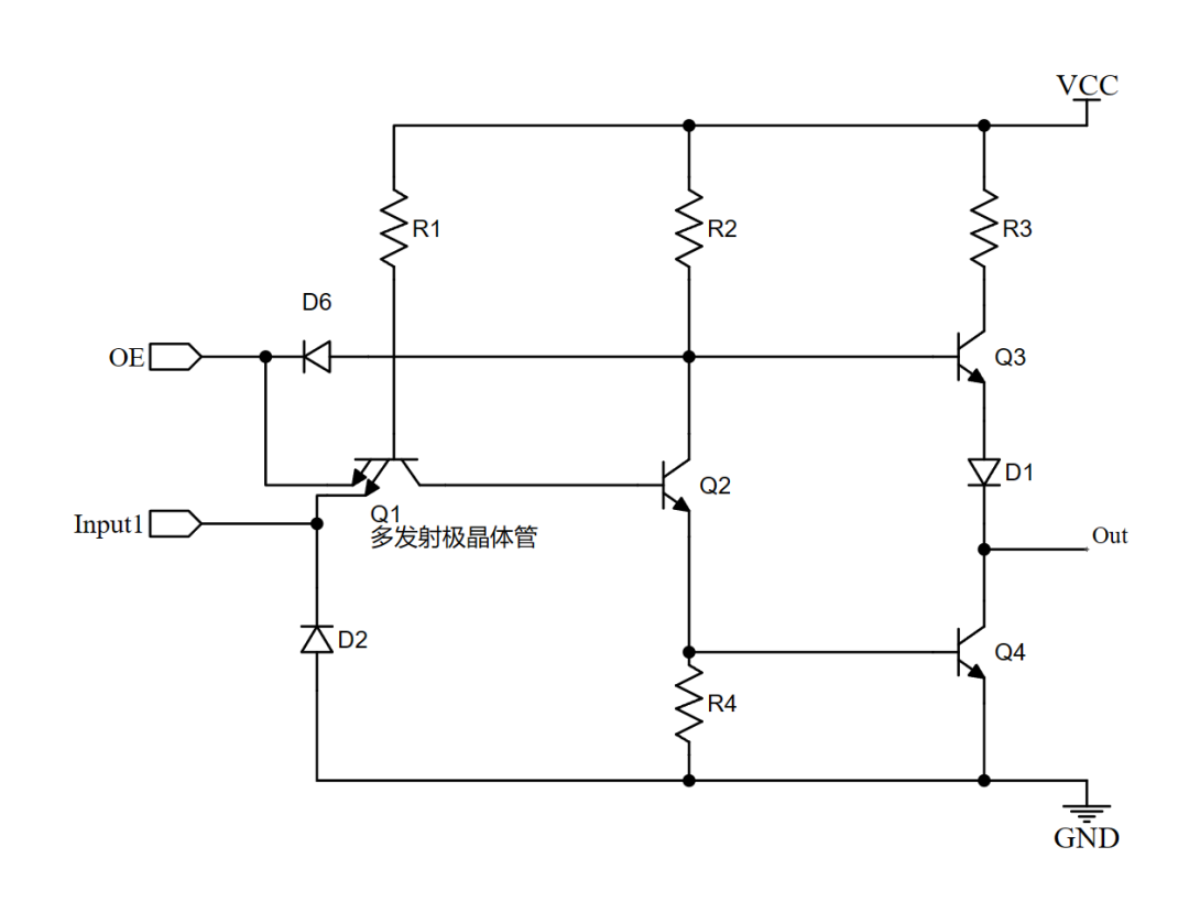
На рисунке 1 видно, что схема вентиля НЕ состоит из входного каскада Q1, промежуточного каскада Q2 и выходных каскадов Q3 и Q4.
①Входной каскад: Q1 структурно считается состоящим из диодов.P-переходы двух диодов расположены спина к спине, а N-переходы подключены ко входу и базе Q2 соответственно.
②Промежуточный этап: состоит из транзистора Q2 и резисторов R2 и R4. Во время процесса включения схемы эффект усиления Q2 используется для обеспечения большего базового тока для выходных ламп Q3 и Q4, тем самым ускоряя проводимость выходных ламп. Следовательно, функция промежуточного каскада заключается в увеличении скорости открытия выходной трубки и повышении производительности схемы.
③Выходной каскад: состоит из транзисторов Q3, Q4, диода D1 и резистора R3. Как видно из рисунка, выходной каскад использует транзистор Q4 для реализации операций логического отрицания. Однако в схеме выходного каскада используется активная нагрузка, состоящая из транзистора Q3, диода D1 и R3, чтобы обеспечить высокую нагрузочную способность выходного каскада. Среди них D1 может защитить транзистор от обратного пробоя.
Принцип работы
① Когда на входной клемме Вход находится на низком логическом уровне, ток протекает через R1 на Вход, и транзистор Q1 открывается. В это время напряжение Vb (Q2) меньше напряжения включения Vbe на 0,7. V, и транзистор Q2 закрывается. В это время из-за наличия R2 и R4 Q3 включается, Q4 отключается, и на Out выводится высокий уровень. Из структуры вывода на рисунке 1 видно, что выходное напряжение высокого уровня в это время будет: Vout = Vcc - Vce - VD1 ≈ Vcc - 1В.
②Когда на входной клемме Вход находится на высоком логическом уровне, транзистор Q1 выключается. В это время ток течет через PN-переход R1 и Q1 к базе Q2, и транзистор Q2 включается. В это время Q4 включен, базовое напряжение Q3 составляет около 1 В, а напряжение включения Q3 требует, чтобы Vb3 составляло около 1,7 В, Q3 не будет проводить ток, и на выходе будет выводиться низкий уровень. Из структуры вывода на рисунке 1 видно, что выходное напряжение низкого уровня в это время будет составлять: 0,4 В.
Применение схемы ТТЛ
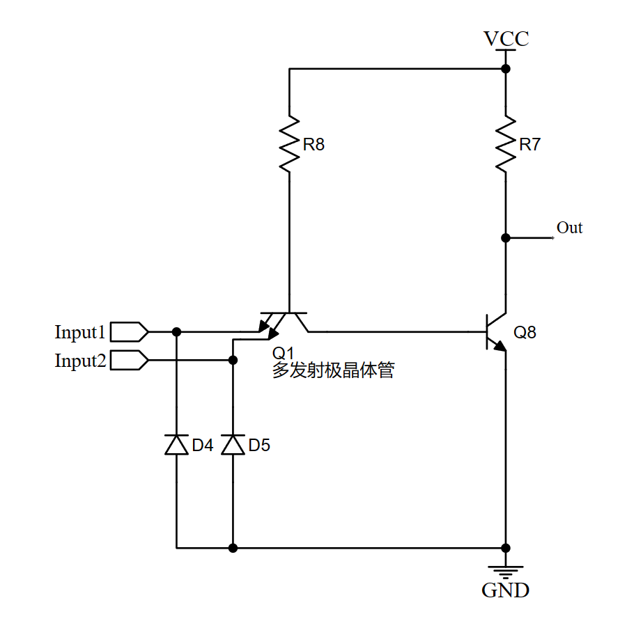
①Несколько каналов и входов
Многоканальный вход TTL можно упростить, как показано на рисунке 1. Поскольку он обычно не требует большой мощности в качестве логического входа, силовую часть можно удалить и оставить только логическую часть, как показано на рисунке 2.

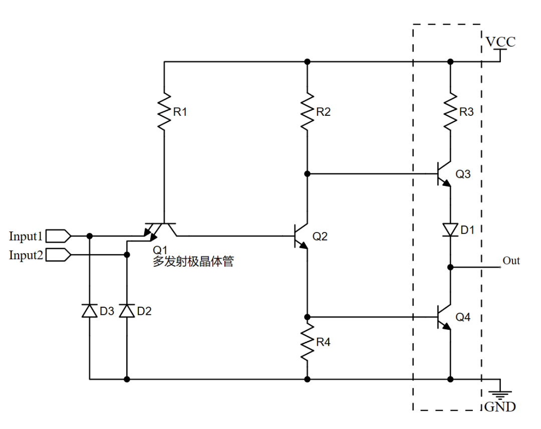
②Выход тотемного столба TTL
В схеме, показанной ниже, заштрихованная область представляет выход тотемного столба. Транзисторы Q3, Q4, диод D1 и токоограничивающий резистор R3 образуют выходную структуру с тотемным полюсом TTL, которая может обеспечить надежную мощность питания для внешних устройств.

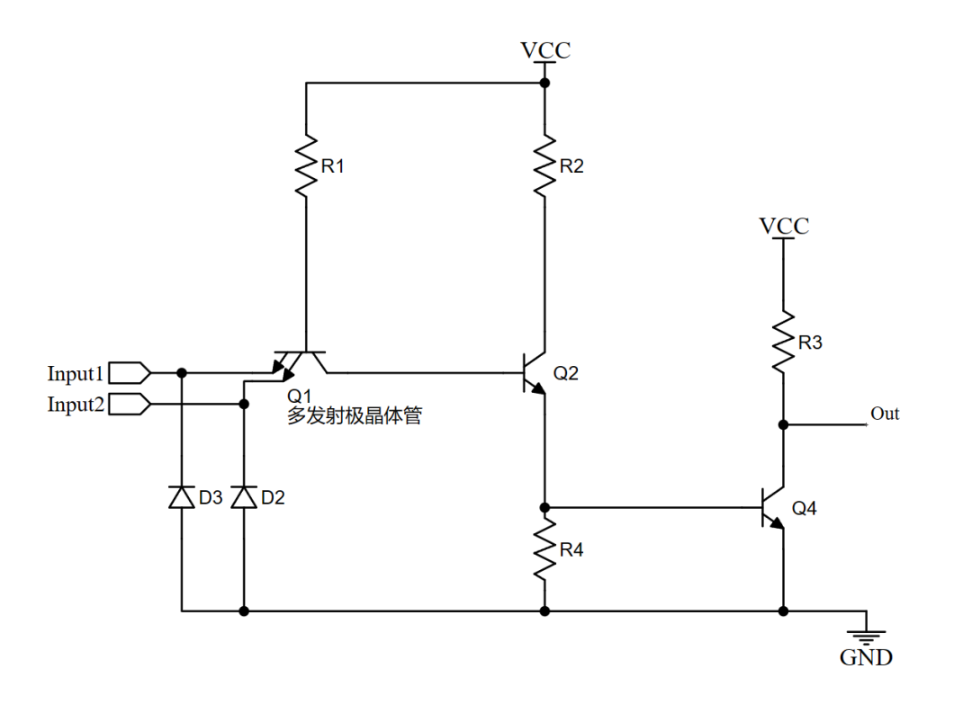
③Выход с открытым стоком коллектора TTL
Выходная схема ТТЛ-логики с открытым стоком показана на рисунке ниже. В этой конфигурации транзисторы Q3, D1 и подтягивающий резистор исключены. Вместо этого для обеспечения правильной работы используется внешний подтягивающий резистор R3, как показано на рисунке.

④TTL-выход с тремя состояниями
Структура выходной цепи затвора с тремя состояниями показана на рисунке ниже.Его выход имеет три выходных состояния: высокое, низкое и высокое сопротивление.
Когда OE включен на низком уровне, Q3 и Q4 находятся в закрытом состоянии.В это время выходная клемма находится в состоянии с высоким импедансом, а выходное состояние плавающее. Когда OE высокий, состояние выхода определяется входом.
