Несколько методов улучшения помехоустойчивости CAN-шины
Скорочтение
Другие методы защиты от помех:
01 Добавьте электрическую изоляцию к интерфейсу CAN
02 Увеличение степени витого спаривания CAN-шины
04CAN для передачи по оптоволоконному кабелю
Шина сети контроллеров (CAN) — это протокол последовательной связи, первоначально разработанный немецкой компанией Bosch для обеспечения надежного метода связи для автомобильных электронных систем. Шина CAN широко используется в автомобилях, промышленном управлении, медицинском оборудовании и других областях для поддержки эффективной связи между несколькими электронными блоками управления (ЭБУ).
Ниже приводится введение в некоторые ключевые функции и принципы работы шины CAN:
Дифференциальная передача сигнала: шина CAN принимает дифференциальную передачу сигнала и использует два провода, а именно CAN_H и CAN_L. Этот дифференциальный метод передачи помогает противостоять электромагнитным помехам и повышает надежность связи.
Связь с несколькими хостами: шина CAN поддерживает связь с несколькими хостами, и несколько узлов могут отправлять сообщения одновременно без конфликтов. Это делает шину CAN идеальной для систем, которым требуется эффективная связь в режиме реального времени.
Реальное время и приоритет: шина CAN предназначена для систем управления в реальном времени, и каждое сообщение имеет фиксированный приоритет. Сообщения с низким приоритетом будут вытеснены сообщениями с высоким приоритетом, чтобы обеспечить своевременную передачу важных сообщений.
Широковещательная связь: шина CAN использует широковещательную связь, и отправленные сообщения принимаются всеми узлами. Узел определяет, обрабатывать ли сообщение на основе идентификатора. Этот механизм позволяет всем узлам системы понимать, что происходит на шине.
Гибкость: CAN-шина очень гибкая, узлы можно легко добавлять или удалять без изменения всей системы. Это делает шину CAN подходящей для изменения архитектуры системы.
Устранение неисправностей: CAN-шина имеет хорошие возможности устранения неисправностей. Если один узел выйдет из строя, остальные узлы смогут нормально взаимодействовать. Кроме того, шинаCAN поддерживает динамическое присоединение и выход узлов.
Высокоскоростная связь: шина CAN может достигать скорости передачи данных до 1 Мбит/с и подходит для приложений, требующих быстрой передачи данных.
В автомобильной промышленности CAN-шина часто используется для подключения различных электронных блоков управления внутри автомобиля, таких как блоки управления двигателем, блоки управления тормозной системой, блоки управления кондиционером и т. д. Эти блоки управления обмениваются информацией через шину CAN для обеспечения совместной работы и повышения производительности и безопасности автомобиля.
сопутствующие товары:
конвертер данных конвертера протоколов CAN-шины----ECAN-401S

ПРОТОКОЛ WIFI Преобразовательный шлюз AP/STA, двухрежимная двусторонняя прозрачная передача------ECAN-W01S

Шина CAN использует дифференциальные витые пары для передачи сигналов на физическом уровне, поэтому она имеет возможность в определенной степени подавлять синфазные помехи. Однако всегда есть предел подавлению помех с помощью дифференциальных сигналов и витых пар, и при определенных экстремальных обстоятельствах (например, при ударе молнии) может возникнуть нестабильность.
Следовательно, для улучшения помехозащищенности шины CAN можно использовать методы улучшения устойчивости к синфазным помехам и дифференциальным помехам.
Обычно существует три типа синфазных помех:
(1) Одновременная индукция витых пар сильной внешней электромагнитной средой:

(2) Оборудование связи обеих сторон не имеет одинакового потенциала:

(3) Между витой парой и землей имеется относительно высокая разность потенциалов:

Обычными дифференциальными помехами являются скачки напряжения, скачки потенциала и т. д., существующие в контуре.
У нас есть план реагирования по трем вышеуказанным пунктам:
Для первого типа синфазных помех: Чтобы избежать сильной электромагнитной среды извне, вызывающей напряжение, превышающее требуемую амплитуду в линии передачи, мы можем использовать витую пару с экраном.Под защитой металлического экрана. , большая часть высокочастотных электромагнитных волн будет индуцироваться в вихревые токи, так что большая часть энергии электромагнитных волн преобразуется в тепло, а не индуцируется в напряжение и распространяется вдоль линии передачи. На рисунке ниже показана стандартная экранированная витая пара.

Для второго типа синфазных помех: оборудование связи двух сторон, использующее шину CAN, обычно находится относительно далеко, поэтому точки заземления двух сторон, вероятно, будут иметь разность потенциалов. разность потенциалов между двумя сторонами, мы можем Чтобы сделать потенциалы двух сторон равными, конкретный метод заключается в использовании вышеупомянутого экранирующего слоя линии передачи для соединения двух сторон.Это обеспечивает путь с низким импедансом для генерируемого тока возникшей разницей потенциалов, так что потенциалы двух сторон можно быстро сбалансировать.
Для третьего типа синфазных помех: после использования экранированной витой пары потенциал линии передачи относительно земли также относительно высок. Если экранирующий слой недостаточно заземлен, экранирующая линия работать не будет. В этом случае , мы Заземление экранирующего слоя может быть подключено к шасси с обоих концов, а шасси с обеих сторон должно быть хорошо заземлено, чтобы гарантировать, что оборудование с обеих сторон хорошо заземлено, чтобы большая часть тока помех могла быть направлена на землю как можно быстрее.
Разумная схема защиты может значительно улучшить помехоустойчивость интерфейса CAN-шины. Наши общие схемы защиты включают в себя цепи ограничения TVS, конденсаторы байпасных фильтров, газоразрядные трубки и т. д., которые могут привести к тому, что пиковый перезаряд и другие перезаряды будут разряжены на землю через обход, обеспечиваемый вышеуказанными устройствами, тем самым гарантируя, что пиковые помехи на линия передачи контролируется в безопасном диапазоне. Внутри. В то же время могут быть добавлены устройства защиты от электростатического разряда, которые также могут играть роль в электростатической защите.

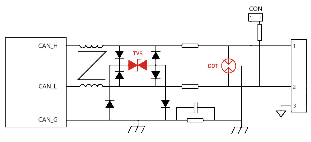
Схема защиты, состоящая из TVS и GDT
На рисунке выше используется схема защиты, состоящая из GDT и TVS.Защиту можно разделить на три уровня: GDT первого уровня реализует большой разряд энергии, резистор второго уровня выполняет ограничение тока, а TVS третьего уровня выполняет ограничение напряжения. . При наличии напряжения синфазных помех на контактах интерфейса 1 и 2 TVS быстро реагирует и включается первым, а напряжение между выводом шины чипа и CAN_G фиксируется; резистор ограничивает ток, протекающий через TVS, чтобы предотвратить его переполнение. Питание повреждено; ГДТ наконец включается, рассеивая большую часть энергии и ограничивая остаточное напряжение до низкого уровня.
01 Добавьте электрическую изоляцию к интерфейсу CAN
Помехи не только влияют на сигнал, но в тяжелых случаях могут даже привести к выходу из строя или сгоранию печатной платы.Чтобы избежать оплавления земли и сгорания печатной платы, а также ограничить амплитуду помех, интерфейс CAN и источник питания могут быть отключены. изолирован. Традиционный метод изоляции заключается в использовании дискретных компонентов для построения цепей изоляции.В настоящее время изолирующие приемопередатчики часто используются непосредственно для изоляции защиты.Это может не только снизить затраты, сократить цикл разработки, но также повысить надежность и эффективно улучшить возможности защиты. автобуса.
02 Увеличение степени витого спаривания CAN-шины
Чтобы улучшить помехоустойчивость шины CAN, физический уровень использует дифференциальную передачу CAN_H и CAN_L. CAN_H и CAN_L могут быть «такими же, как выше, такими же, как внизу» после возникновения помех, поэтому дифференциальные значения остаются неизменными. .

CAN_H и CAN_L необходимо плотно скрутить вместе. В нормальных условиях степень скрутки витых пар обычно составляет всего 33 витка на метр. В ситуациях сильных помех для достижения лучшего эффекта защиты от помех витым парам требуется даже 45–55 витков на метр. Кроме того, к кабелям также предъявляются требования к площади поперечного сечения жилы, линейной емкости и емкости экранирующего слоя.
Изоляция может играть лишь определенную блокирующую роль. Если помехи слишком сильны или скачок напряжения слишком высок, изолирующее устройство может быть повреждено. В этом случае необходимо добавить схему защиты от перенапряжения, чтобы повысить уровень защиты и улучшить способность шины выдерживать групповые импульсы перенапряжения.
04CAN для передачи по оптоволоконному кабелю
В ситуациях, когда помехи являются серьезными, например, от удаленных лазеров, генераторов электромагнитных импульсов или ударов молнии, можно использовать преобразователь CAN в оптоволокно. Использование преобразователя CAN для преобразования сигналов в передачу по оптоволоконному кабелю может значительно улучшить помехоустойчивость шины CAN и эффективно избежать сильных помех, таких как электромагнитные импульсы и удары молний.
Кроме того, самый простой способ противостоять помехам — держаться подальше от источника помех, что также является одним из наиболее часто используемых методов на объекте. В реальной проводке CAN-шина должна быть смешана с сильным электричеством из-за проблем с пространством, что приводит к большим помехам.Необходимо постараться обеспечить, чтобы сильное электричество и слабые места были разделены и как можно дальше друг от друга. Если этого избежать невозможно, лучше всего перекрестить вертикальную проводку.
о нас:
Как китайский поставщик и завод по производству коммуникационных модулей CAN2.0, CDEBYTE специализируется на предоставлении оптовых онлайн-преобразователей CAN. Серия CAN включает двухканальный преобразователь CAN в WIFI, преобразователь CAN в RS485/RS232/RS422, преобразователь CAN в оптоволокно и преобразователь CAN в USB. Серия ECAN представляет собой небольшой интеллектуальный продукт для преобразования протоколов, независимо разработанный CDEBYTE. Продукт поддерживает настройку последовательных AT-команд, параметры устройства и режимы работы хост-компьютера, а также поддерживает пять режимов преобразования данных, включая прозрачное преобразование, прозрачное преобразование с логотипом, преобразование протокола, преобразование Modbus RTU и определяемое пользователем (пользовательское). В то же время интеллектуальный преобразователь протоколов ECAN отличается небольшими размерами и простотой установки.