Что такое операционный усилитель? Объяснение классических схем применения
Операционный усилитель, называемый операционным усилителем, представляет собой усилитель напряжения с высоким коэффициентом усиления, связью по постоянному току, дифференциальным входом (дифференциальный режим) и обычно несимметричным выходом. Операционный усилитель может создавать выходной потенциал (относительно земли), который в сотни тысяч раз превышает разность потенциалов на входных клеммах. Он получил свое название потому, что сначала использовался в основном в аналоговых арифметических схемах, таких как сложение и вычитание.
1. Принцип работы операционного усилителя
Дифференциальный вход операционного усилителя включает в себя неинвертирующее входное напряжение и инвертирующее входное напряжение. Идеальный операционный усилитель только усиливает разницу между двумя напряжениями. Это так называемое входное напряжение дифференциального режима. Выходное напряжение операционного усилителя определяется выражением:
Vout=(V+ - V-)*Ado
Ado – дифференциальный коэффициент усиления операционного усилителя в разомкнутом контуре.

2. Идеальный операционный усилитель
Идеальный операционный усилитель обычно должен иметь следующие характеристики:
① Большой коэффициент усиления в разомкнутом контуре (Ado= +∞). Важным свойством идеального операционного усилителя является то, что в состоянии разомкнутого контура дифференциальный сигнал на входном конце имеет бесконечное усиление по напряжению. Эта характеристика делает операционный усилитель очень подходящим. для практического применения. Плюс конфигурация с отрицательной обратной связью.
②Бесконечный входной импеданс (Zin/Rin = ∞): идеальный входной разъем операционного усилителя не допускает протекания тока. То есть сигналы тока в конечных точках V+ и V- на приведенном выше рисунке всегда равны нулю, т.е. входное сопротивление бесконечно.
③Нулевое входное напряжение смещения
④Бесконечная полоса пропускания (BW=∞) с нулевым фазовым сдвигом и бесконечной скоростью нарастания: идеальный операционный усилитель будет усиливать входной сигнал любой частоты с одинаковым дифференциальным коэффициентом усиления, который не меняется из-за изменений частоты сигнала.
⑤Нулевой выходной импеданс (Zout/Rout = ∞): выходной конец идеального операционного усилителя является идеальным источником напряжения. Независимо от того, как изменяется ток, протекающий на нагрузку усилителя, выходное напряжение усилителя всегда имеет определенное значение, т.е. то есть выходное сопротивление равно нулю.
⑥Нулевой шум
⑦Бесконечный коэффициент подавления синфазного сигнала (CMRR = ∞): идеальный операционный усилитель может реагировать только на разницу в напряжении между двумя конечными точками V+ и V-, то есть он усиливает только часть (V+ - V-). Идентичная часть двух входных сигналов (т. е. синфазный сигнал) будет полностью игнорироваться.
⑧Бесконечный коэффициент отклонения напряжения источника питания
Ни одна из этих идеализаций не может быть полностью реализована. Эквивалентные резисторы и конденсаторы можно использовать в моделях операционных усилителей для имитации не бесконечных или ненулевых параметров реального операционного усилителя. Это позволяет разработчику учитывать эти эффекты в общей производительности конечной схемы. Некоторые параметры могут иметь незначительное влияние на окончательный проект, но необходимо рассчитать другие параметры, которые фактически контролируют конечную производительность.
3. Общие конструкции приложений
(1) Инвертирующий усилитель с обратной связью

На рисунке выше показана схема инвертирующего усилителя с обратной связью. Предполагая, что в этом усилителе с обратной связью используется идеальный операционный усилитель, поскольку его коэффициент усиления без обратной связи бесконечен, две входные клеммы операционного усилителя являются виртуальной землей. А поскольку входное сопротивление бесконечно, ток от Vin до V- равен току от V- до Vout, тогда:

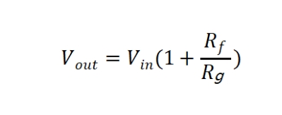
(2) Усилитель с обратной связью с положительной фазой

На рисунке выше показана схема усилителя с обратной связью с положительной фазой. Отрицательная обратная связь определяет коэффициент усиления замкнутого контура Acl=Vout/Vin через резисторы деления напряжения Rf и Rg. Баланс будет установлен, когда Vout будет достаточным для того, чтобы напряжение на инвертирующей клемме стало равным Vin. Следовательно, коэффициент усиления по напряжению всей схемы составляет 1+Rf/Rg. Формула выходного напряжения:

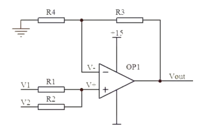
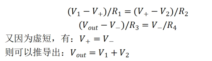
(3) Сумматор

На рисунке выше показана сумматорная схема. В условиях идеального операционного усилителя, поскольку входное сопротивление бесконечно, токи, протекающие через R1 и R2, равны, и аналогично токи, протекающие через R3 и R4, также равны. Тогда есть:

(4) Интегрирующая схема

На рисунке выше показана схема интегратора. В идеальных условиях операционного усилителя коэффициент усиления разомкнутого контура бесконечен, а напряжение на инвертирующей входной клемме равно напряжению на неинвертирующей клемме. Поскольку входное сопротивление бесконечно, ток через R1 равен току через C1.

Выходное напряжение пропорционально интегралу входного напряжения по времени. Это интегрирующая схема.
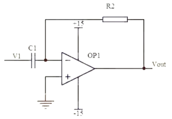
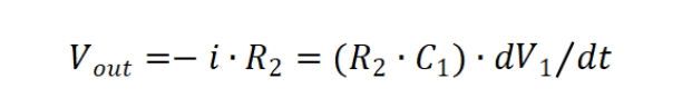
(5) Дифференциальная схема

На рисунке выше показана схема дифференциатора. В идеальных условиях операционного усилителя коэффициент усиления разомкнутого контура бесконечен, а напряжение на инвертирующей входной клемме равно напряжению на неинвертирующей клемме. Поскольку входное сопротивление бесконечно, ток через R1 равен току через C1.

Если V1 представляет собой внезапно добавленное напряжение постоянного тока, выходной сигнал Vout соответствует импульсу в направлении, противоположном V1.