Зачем RS485 добавлять понижающий резистор?
каталог:
485 Три состояния данных во время передачи
02 Как избежать неопределенности?
Факторы, которые следует учитывать при выборе размера понижающего резистора
Шина 485 является широко используемым методом передачи дифференциального сигнала. Она обладает преимуществами сильной помехозащищенности, большой дальности передачи и большого количества узлов. Она широко используется в связи, промышленной автоматизации и других областях.Однако при практическом применении мы можем столкнуться с проблемой, заключающейся в том, нужно ли шине 485 добавлять понижающие резисторы на линиях A и B и какое сопротивление является подходящим.В этой статье мы проанализируем и объясним эту проблему.
01 Как работает шина 485?

Во-первых, нам нужно понять принцип работы и характеристики сигнала шины 485.Согласно стандарту RS-485, шина 485 передает дифференциальные сигналы по двум линиям (A и B), и текущий бит данных равен 0 или 1 в зависимости от разности напряжений между двумя линиями.
485 Данные во время передачи находятся в трех состояниях:
1.Когда разность напряжений между A и B VAB=UA-UB превышает +200 мВ, логический выход приемопередатчика 485 равен 1;
2.Когда разность напряжений между A и B VAB=UA-UB составляет менее -200 мВ, логический вывод приемопередатчика 485 равен 0;
3.Когда разность напряжений между A и B, VAB=UA-UB, составляет от -200 мВ до+200 мВ, приемопередатчик 485 может выдавать высокий или низкий уровень, что является неопределенным состоянием.
02 Как избежать неопределенности?
При нормальных обстоятельствах мы надеемся, что данные, полученные приемником, могут быть только 0 или 1, и они не могут отображаться на шине 485 для неопределенных состояний.Итак, при каких обстоятельствах возникнет неопределенное состояние?
Существуют две основные ситуации:
1.Когда шина 485 находится в режиме ожидания, все приемопередатчики 485 находятся в состоянии приема, и ни один приемопередатчик не управляет шиной.В это время, поскольку ни один источник сигнала не генерирует дифференциальное напряжение на шине, напряжения на двух линиях A и B в основном равны, то есть дифференциальное напряжение в основном равно 0.
2.Когда шина 485 находится в открытом состоянии, то есть когда приемопередатчик 485 отключен от шины.В это время, поскольку отключенный приемопередатчик больше не влияет на шину, разность напряжений между оставшимися приемопередатчиками в основном равна 0.
Когда выходной мощности драйвера 485 недостаточно для того, чтобы вызвать разность напряжений A и B с абсолютным значением, превышающим 200 мВ, состояние сигнала шины 485 больше не может отражать состояние драйвера, и приемник не может распознать правильный сигнал.
3.Когда шина 485 находится в неопределенном состоянии, это может привести к ошибкам связи или сбоям в работе.Например, если приемопередатчик 485 считает, что он принял сигнал данных 0 в неопределенном состоянии, и выводит низкий уровень на последовательный порт, то для связи UART это эквивалентно стартовому биту, что приведет к неправильной оценке или ошибке кода; если приемопередатчик 485 выдает чередующиеся высокие и низкие значения уровни в неопределенном состоянии, то при передаче данных по UART это будет создавать помехи нормальным данным, в результате чего приемник UART будет получать ненормальные данные.
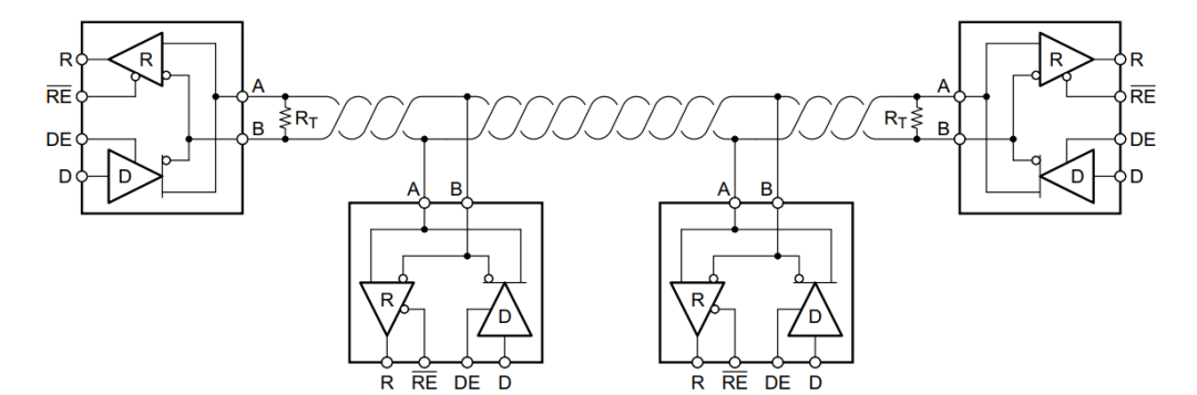
Чтобы предотвратить возникновение неопределенного состояния шины 485, мы проанализировали эти две аномалии на основе этих двух аномалий. Причина этих двух аномалий заключается в том, что, когда приемопередатчик находится в состоянии приема, нормальная разность напряжений на линии AB не может поддерживаться.Чтобы поддерживать правильную разность напряжений во время простоя или отключения, нам нужно добавить понижающий резистор на две линии A и B (обычно A подключается к повышающему резистору, а B подключается к повышающему резистору), чтобы гарантировать, что шина имеет фиксированное дифференциальное напряжение в режиме ожидания или открытом состоянии.Как показано на рисунке ниже:

Итак, какие факторы нам нужно учитывать при выборе размера понижающего резистора?В основном существуют следующие аспекты:
1.Повышающий и понижающий резисторы должны быть достаточно малы, чтобы гарантировать, что перепад напряжения в режиме холостого хода или разомкнутой цепи будет больше +200 мВ или меньше -200 мВ (выбирается в соответствии с конкретными обстоятельствами), чтобы избежать неопределенного состояния.
2.Повышающий и понижающий резисторы должны быть достаточно большими, чтобы снизить энергопотребление и нагрев без влияния на мощность возбуждения и выходное напряжение приемопередатчика 485.
3.Подтягивающий резистор должен соответствовать входному сопротивлению, оконечному сопротивлению, длине шины, количеству узлов и другим факторам приемопередатчика 485, чтобы обеспечить согласование импеданса и целостность сигнала шины.
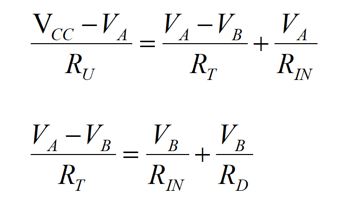
Прежде всего, когда мы находимся в отключенном состоянии для приемопередатчика, напряжение приемопередатчиков A и B определяется RU, RT, RD и RIN, то есть,:

Обычно мы используем одни и те же значения для RU и RD, формулу можно упростить до:

В это время мы устанавливаем внутреннее дифференциальное входное сопротивление микросхемы RIN=15 кВт, VCC=3,3 В и RT=120R. Можно рассчитать, что в это время 0Ω≤R≤239Ω, конечно, при условии, что R≤232,5 кВт может удовлетворять ситуации отключения. и строки B находятся в состоянии данных 1.
Для состояния ожидания считается, что большинство узловых устройств добавят резисторы RU и RD на линиях A и B, а резисторы RT будут добавлены на клемме.Как показано на рисунке ниже:

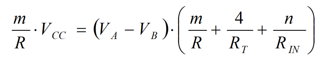
Согласно предыдущему процессу вывода, мы можем видеть, что разница заключается только во входном сопротивлении и сопротивлении подтягивания, увеличивающемся за счет увеличения узла, поэтому мы можем вывести следующую формулу, основанную на приведенной выше схеме.:

В этой формуле m - количество узлов с понижающими резисторами, а n - количество узлов.Мы определяем разницу между клеммами A и B шины как наименьшую 200 мА, так что мы можем упростить эту формулу до:

С помощью этой формулы значение подтягивающего резистора может быть определено на основе фактического количества узлов.
Однако результат, рассчитанный по этой формуле, является лишь идеальным значением. При фактическом использовании повышающий и понижающий резисторы обычно определяются внутри узла.Разные узловые устройства могут иметь разные внутренние подтягивающие и понижающие резисторы. Нам нужно учитывать количество узлов, чтобы учесть значение этого резистора.Чтобы определить значение подтягивающего резистора, необходимо также учитывать пропускную способность микросхемы драйвера.Повышающий и понижающий резисторы не могут быть установлены очень малыми.
Короче говоря, шина 485 должна добавить понижающий резистор к линии AB, главным образом для обеспечения того, чтобы шина имела фиксированное дифференциальное напряжение в режиме ожидания или разомкнутом состоянии, чтобы избежать ошибок связи или сбоев, вызванных неопределенным состоянием.При выборе размера понижающего резистора необходимо всесторонне учитывать такие факторы, как потребляемая мощность, мощность привода и согласование импеданса, чтобы обеспечить стабильность и надежность связи.
Ознакомьтесь со статьями по теме:
Что такое RS232 и RS485 и их различия
Необходимость изоляции RS485 и внедрение общих схем изоляции RS485