Подробное объяснение знаний о RS485 и принципе передачи сигнала RS485 в Ethernet
каталог:
485 Данные во время передачи находятся в трех состояниях
Особенности ретранслятора RS485
Как избежать неопределенного состояния шины RS485?
Фактическое использование сигнала RS485 для передачи в Ethernet
RS-485 также является распространенным интерфейсом последовательной связи.Он поддерживает многоточечную передачу данных и передачу на большие расстояния, а также использует полудуплексную связь.Это увеличивает количество устройств и определяет электрические характеристики при максимальном количестве устройств для обеспечения достаточного напряжения сигнала.RS-485 обеспечивает сбалансированную передачу и дифференциальный прием, обладает высокой скоростью передачи данных, хорошей помехозащищенностью, отличной помехоустойчивостью и возможностью работы с несколькими устройствами, а сигнал может передаваться на тысячи километров, что компенсирует малую дальность связи RS-232. Проблема.
Кроме того, шинный приемопередатчик обладает высокой чувствительностью и может обнаруживать напряжения до 200 мВ, поэтому сигнал передачи может быть восстановлен за тысячи километров.
RS-485 поддерживает полудуплексный режим работы, и только одна точка может находиться в состоянии передачи в любой момент времени. Следовательно, схема передачи должна управляться разрешающим сигналом.Преобразование сигнала RS485 в сигнал Ethernet, то есть последовательное серверное оборудование, используется в промышленности, системах безопасности, для дистанционного считывания показаний счетчиков и других сценариях, используя функцию преобразования сигнала для реализации преобразования сигнала и улучшения сети.
Нам нужно понять принцип работы и характеристики сигнала шины 485.Согласно стандарту RS-485, шина 485 передает дифференциальные сигналы по двум линиям (A и B), и текущий бит данных равен 0 или 1 в зависимости от разности напряжений между двумя линиями.
485 Данные во время передачи находятся в трех состояниях:
1.Когда разность напряжений между A и B VAB=UA-UB превышает +200 мВ, логический выход приемопередатчика 485 равен 1;
2.Когда разность напряжений между A и B VAB=UA-UB меньше -200 мВ, логический вывод приемопередатчика 485 равен 0;
3.Когда разность напряжений между A и B, VAB=UA-UB, составляет от -200 мВ до+200 мВ, приемопередатчик 485 может выдавать высокий или низкий уровень, что является неопределенным состоянием.

RS485 to Ethernet обеспечивает функцию последовательного подключения к сети, которая может преобразовать последовательный порт RS485 в сетевой интерфейс TCP/IP и реализовать двустороннюю прозрачную передачу данных между последовательным портом RS485 и сетевым интерфейсом TCP/IP.Устройство с последовательным портом может сразу же выполнять функцию сетевого интерфейса TCP/IP, подключаться к сети для передачи данных и увеличивать дальность связи устройства с последовательным портом.
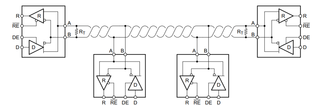
Интерфейс RS485 представляет собой полудуплексный режим передачи данных. Полудуплексная сеть, состоящая из интерфейса, обычно представляет собой двухпроводную систему, и часто используется передача по экранированной витой паре. Этот метод подключения представляет собой топологию шинного типа. К одному и тому же узлу может быть подключено до 32 узлов. автобус.RS485 используется в сетях связи с хостом с несколькими подчиненными устройствами.В большинстве случаев при подключении связи RS485 для соединения концов ”A” и ”B“ каждого интерфейса используется только пара простых витых пар.Интерфейсный разъем RS485 использует 9-ядерную гнездовую головку DB-9, интерфейс RS485 с интеллектуальным терминалом использует DB-9, а интерфейс клавиатуры RS4485, подключенный к клавиатуре, использует DB-9.
"Преобразователь RS485 в Ethernet" - это устройство, используемое для преобразования последовательной связи RS485 в Ethernet.Этот тип преобразователя обычно используется для подключения удаленных устройств к сети для мониторинга, управления или передачи данных по локальной сети или Интернету.Это позволяет осуществлять удаленный доступ к устройствам RS485 и управлять ими через Ethernet, тем самым обеспечивая удаленный мониторинг и управление.
Основные функции: Последовательный порт RS485 для подключения к Ethernet, двусторонняя прозрачная передача данных, поддержка переадресации по Modbus;
Установка направляющей рейки: компактный размер, стандартная установка направляющей рейки 35 мм, простая компоновка и монтаж, удобный для последующего обслуживания;
Подключение простое: требуется всего 2 провода, и можно использовать экранированный проводной интерфейс сетевого кабеля.;
Большое расстояние связи: используется метод связи в дифференциальном режиме, и расстояние связи большое;
Многомашинная сеть: RS485 поддерживает подключение нескольких терминалов в режиме онлайн, а связь между несколькими машинами осуществляется методом запроса-ответа.;
Существует два типа аппаратных преобразователей RS485 в Ethernet: сервер последовательного порта и сетевой модуль последовательного порта.
Сервер последовательного порта реализует преобразование интерфейса RS485 в интерфейс TCP/IP и использует его с драйвером виртуального последовательного порта на стороне компьютера для повторного виртуального преобразования соединения TCP/IP в последовательный порт.
Драйвер виртуального последовательного порта виртуализирует номера виртуальных последовательных портов, такие как COM5 и COM6, на уровне драйвера компьютера и привязывает удаленный сервер последовательного порта к виртуальному последовательному порту для обеспечения связи.
TCP-сервер: В качестве серверной части устройства можно настроить 2 TCP-клиента для одновременной прозрачной передачи данных с устройства, решая проблему одновременного взаимодействия нескольких клиентов с устройством, а также его можно использовать в качестве альтернативного сетевого канала для переключения связи.;
TCP-клиент: Как клиентская сторона, устройство может быть настроено на одновременный доступ к 4 адресам на стороне сервера и активно инициировать подключение к серверной стороне. Как клиент, оно поддерживает настройку пользовательских пакетов сердцебиения и пакетов подтверждения.;
UDP-сервер: Как серверная часть устройства, он поддерживает несколько UDP-клиентов для прозрачной передачи данных с помощью устройства.;
UDP-клиент: На стороне клиента устройство активно взаимодействует в режиме онлайн с UDP-сервером и прозрачно передает данные через последовательный порт RS232.;
Одноадресная передача UDP: Устройство действует как клиентская сторона, которая может осуществлять взаимную связь между устройствами в одноадресной передаче.;
Http-сервер: Как Http-сервер, устройство поддерживает Http-связь внутри локальной сети через HTTP (get).;
Особенности ретранслятора RS485
Усиление и усовершенствование сигнала: Ретрансляторы RS485 могут усиливать и улучшать сигналы RS485, тем самым увеличивая дальность передачи сигнала и улучшая качество сигнала.Это очень полезно для передачи данных на большие расстояния или в средах с большим затуханием сигнала.
Изоляция сигнала: Некоторые ретрансляторы RS485 имеют функцию изоляции сигнала, которая может изолировать электрические шумы и помехи между различными частями, тем самым повышая стабильность и надежность сигнала.
Многоузловое соединение: Ретранслятор RS485 позволяет подключать несколько устройств RS485 к одной шине для передачи данных через ретранслятор.Это позволяет создать сложную топологию сети, поддерживающую связь между несколькими устройствами.
Автоматическая регулировка: Некоторые усовершенствованные ретрансляторы RS485 имеют функцию автоматической регулировки, которая может автоматически регулировать увеличение в соответствии с качеством сигнала и дальностью передачи для обеспечения стабильной передачи сигнала.
Источник питания: Ретрансляторы RS485 обычно имеют свой собственный источник питания, который может обеспечить стабильную поддержку питания подключенных устройств RS485 для обеспечения нормальной работы оборудования.
Совместимость: Большинство ретрансляторов RS485 совместимы со стандартным коммуникационным протоколом RS485 и могут взаимодействовать с различными устройствами и системами RS485.
Диапазон рабочих температур: Ретрансляторы RS485 обычно имеют широкий диапазон рабочих температур, который подходит для использования в различных промышленных условиях и сценариях применения.
Как избежать неопределенного состояния шины RS485?
При нормальных обстоятельствах мы надеемся, что данные, полученные приемником, могут быть только 0 или 1, и они не могут отображаться на шине 485 для неопределенных состояний.Итак, при каких обстоятельствах возникнет неопределенное состояние?
Существуют две основные ситуации:
1.Когда шина 485 находится в режиме ожидания, все приемопередатчики 485 находятся в состоянии приема, и ни один приемопередатчик не управляет шиной.В это время, поскольку ни один источник сигнала не генерирует дифференциальное напряжение на шине, напряжения на двух линиях A и B в основном равны, то есть дифференциальное напряжение в основном равно 0.
2.Когда шина 485 находится в открытом состоянии, то есть когда приемопередатчик 485 отключен от шины.В это время, поскольку отключенный приемопередатчик больше не влияет на шину, разность напряжений между оставшимися приемопередатчиками в основном равна 0.
Когда выходной мощности драйвера 485 недостаточно для того, чтобы вызвать разность напряжений A и B с абсолютным значением, превышающим 200 мВ, состояние сигнала шины 485 больше не может отражать состояние драйвера, и приемник не может распознать правильный сигнал.
3.Когда шина 485 находится в неопределенном состоянии, это может привести к ошибкам связи или сбоям в работе.Например, если приемопередатчик 485 считает, что он принял сигнал данных 0 в неопределенном состоянии, и выводит низкий уровень на последовательный порт, то для связи UART это эквивалентно стартовому биту, что приведет к неправильной оценке или ошибке кода; если приемопередатчик 485 выдает чередующиеся высокие и низкие значения уровни в неопределенном состоянии, то при передаче данных по UART это будет создавать помехи нормальным данным, в результате чего приемник UART будет получать ненормальные данные.

Чтобы предотвратить возникновение неопределенного состояния шины 485, мы проанализировали эти две аномалии на основе этих двух аномалий. Причина этих двух аномалий заключается в том, что, когда приемопередатчик находится в состоянии приема, нормальная разность напряжений на линии AB не может поддерживаться.Чтобы поддерживать правильную разность напряжений во время простоя или отключения, нам нужно добавить понижающий резистор к двум линиям A и B (обычно A подключается к повышающему резистору, а B подключается к повышающему резистору), чтобы гарантировать, что шина имеет фиксированное дифференциальное напряжение в режиме ожидания или открытом состоянии.
Фактическое использование сигнала RS485 для передачи в Ethernet
Сигнал RS485 в Ethernet обычно используется для передачи данных с удаленных устройств или датчиков в сеть Ethernet по шине RS485 для реализации таких приложений, как удаленный мониторинг, сбор данных и дистанционное управление.Ниже приведены некоторые реальные сценарии использования:
Системы промышленной автоматизации и управления: В промышленной среде многие датчики, приборы и управляющее оборудование используют связь RS485 для передачи данных.Преобразуя сигналы RS485 в Ethernet, эти устройства можно подключать к сети, осуществлять удаленный мониторинг и управление, а также повышать эффективность производства и надежность системы.
Мониторинг интеллектуального здания и оборудования: В системах интеллектуального здания оборудование, включая датчики температуры, влажности, контроллеры освещения и т.д., обычно использует RS485 для связи.Преобразуя сигналы RS485 в Ethernet, эти устройства могут быть подключены к системе управления зданием для осуществления удаленного мониторинга и управления строительным оборудованием.
Мониторинг окружающей среды и сбор данных: В области мониторинга окружающей среды различные метеорологические датчики, датчики качества воды, оборудование для мониторинга качества воздуха и т.д. часто используют RS485 для передачи данных.Преобразуя сигнал RS485 в Ethernet, эти датчики могут быть подключены к сети для осуществления мониторинга окружающей среды в режиме реального времени и сбора данных об окружающей среде.
Система энергоменеджмента: В системах энергоменеджмента оборудование, включая счетчики энергии, трансформаторы тока, напряжения и т.д., обычно использует RS485 для связи.Преобразуя сигналы RS485 в Ethernet, эти устройства могут быть подключены к системе энергоменеджмента для осуществления мониторинга и управления энергетическими данными в режиме реального времени и помогают пользователям оптимизировать энергопотребление, экономить энергию и сокращать выбросы.
Удаленный мониторинг и техническое обслуживание оборудования: Для удаленного оборудования, распределенного в разных местах, таких как водонасосные станции, подстанции, вышки электропередачи и т.д., путем преобразования сигналов RS485 в Ethernet может быть реализован удаленный мониторинг и техническое обслуживание этого оборудования, что сокращает командировочные расходы обслуживающего персонала на месте и улучшает эксплуатацию и эффективность технического обслуживания.
В целом, фактическое использование сигнала RS485 в Ethernet может помочь пользователям реализовать удаленный мониторинг, сбор данных, дистанционное управление и другие функции, повысить степень интеллектуальности и эффективность управления системой и в то же время обеспечить более гибкие и надежные решения для различных отраслевых применений.