Причина, по которой связь по RS485 должна быть прервана резистором
каталог:
Проблемы, вызванные оконечными резисторами
① Уменьшите амплитуду управляющего сигнала
② Увеличьте падение напряжения на линии связи
③ Увеличьте энергопотребление приемопередатчика
Когда мне нужно добавить оконечный резистор?
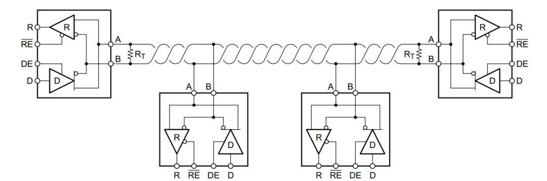
Шина RS-485 является широко используемым методом передачи дифференциального сигнала. Она обладает такими преимуществами, как высокая помехозащищенность, большая дальность передачи и большое количество узлов. Она широко используется в системах связи, промышленной автоматизации и других областях.Однако в практических приложениях обычно встречается ненормальная связь между устройствами RS-485 на большие расстояния. Наиболее часто используемым решением является проверка того, был ли добавлен оконечный резистор к шине устройства RS-485.В некоторых случаях его также можно использовать без добавления. Почему это так?Давайте взглянем на роль оконечного резистора на шине RS-485.

Роль клеммных резисторов
При передаче высокочастотных сигналов длина волны сигнала относительно мала по сравнению с линией передачи. Сигнал будет формировать отраженную волну на конце линии передачи, создавая помехи исходному сигналу. Следовательно, необходимо добавить резистор на конце линии передачи, чтобы сигнал не будет отражен после достижения конца линии передачи.Он не используется для низкочастотных сигналов.Во время длительной передачи сигнала, как правило, для того, чтобы избежать отражения и эхо-сигнала, также необходимо получить доступ к клеммному согласующему резистору на приемной стороне.

Для шины RS-485 оконечный резистор может соответствовать характеристическому сопротивлению линии связи, чтобы предотвратить отражение сигнала и улучшить качество сигнала.При формировании сети шины RS-485 обычно используются экранированные провода витой пары с характеристическим сопротивлением 120 Ом. Поскольку входное сопротивление приемопередатчика RS-485, как правило, высокое, оно достигает почти 100 кВт. Когда сигнал передается на конец шины, из-за мгновенного сопротивления при мутации импеданс изменяется со 120 Ом почти до 100 кВт, что приводит к отражению сигнала и влияет на качество сигнала.
Отражение сигнала, вызванное этим изменением импеданса, связано с частотой сигнала связи и длиной сигнальной линии.На шине с длиной шины менее 1 м без оконечного резистора и скоростью передачи данных 9600 Кбит/с при передаче данных 485 практически не будет сбоев.Однако, когда мы увеличиваем скорость передачи данных, по мере увеличения скорости передачи данных данные связи начнут искажаться.В это время мы используем осциллограф для измерения сигнала линии AB, и мы обнаружим, что форма сигнала напряжения на линии AB в это время больше не является прямоугольной, а больше склонна к синусоидальной волне.Эта форма сигнала больше не позволяет приемнику корректно выводить сигнал с передатчика.
Проблемы, вызванные оконечными резисторами
Хотя оконечные резисторы могут улучшить качество сигнала, они также имеют следующие проблемы:
① Уменьшите амплитуду управляющего сигнала
Чем больше нагрузка на шину RS-485, тем ниже амплитуда выходного дифференциального напряжения приемопередатчика RS-485. Поскольку приемник RS-485 оценивает передаваемый сигнал по разнице напряжений на линии AB, это напряжение имеет пороговое значение ±200 мВ. После того, как это напряжение будет ниже, данные не поддаются оценке.
② Увеличьте падение напряжения на линии связи
Увеличение сопротивления клеммы увеличивает ток на кабеле связи, что приводит к большей потере напряжения. Чем длиннее кабель, тем меньше разность напряжений между принимающей стороной, что влияет на передачу данных.
③ Увеличьте энергопотребление приемопередатчика
Передатчик RS-485 будет управлять разницей напряжений на клеммах AB более чем на ±200 мВ во время передачи данных. Чем больше нагрузка на шину, тем больше мощность, потребляемая передатчиком.
Когда мне нужно добавить оконечный резистор?
① при низкой скорости связи или близком расстоянии связи рекомендуется не добавлять клеммный резистор
Когда скорость связи низкая или шина связи короткая, отражение сигнала практически не влияет на сигнал связи, и потребляемая мощность может быть снижена без оконечного резистора, а шина RS-485 может гарантировать высокую амплитуду дифференциального напряжения в режиме ожидания, добавив больший значение подтягивающего резистора, которое повышает надежность связи.
② Расстояние связи большое, скорость связи высокая, а требования к качеству сигнала высокие.
Поскольку шина RS-485 будет генерировать эхо-отраженные сигналы по мере увеличения расстояния передачи, в это время можно увеличить сопротивление оконечного устройства, чтобы предотвратить проблемы с отражением сигнала, вызванные изменениями импеданса, и улучшить качество сигнала, но необходимо убедиться, что дифференциальное напряжение шины не находится в пределах порогового уровня диапазон, когда шина находится в режиме ожидания.Стандарт RS-485 рекомендует, чтобы характеристическое сопротивление кабеля Z0=120 Ом. Обычно клеммы в начале и конце линии связи согласуются с резистором 120 Ом.

③ При наличии требований к энергопотреблению и большом расстоянии связи
Как правило, выборка сигнала производится в промежуточное время, равное одному биту. Из-за низкой скорости передачи данных время каждого бита больше, поэтому отраженный сигнал был израсходован, когда он достиг точки выборки, и это никак не влияет на передачу данных.
Поэтому для применений, где энергопотребление приемопередатчика RS-485 велико, а расстояние связи велико, скорость связи должна быть соответствующим образом снижена.